2010 Gmc Terrain Engine Diagram : 2015 Gmc Terrain Wiring Diagrams Wiring Diagram Direct Meet Captain Meet Captain Siciliabeb It : Gmc acadia buick enclave saturn outlook u0026 chevy traverse.. Gm suv exhaust resonator delete. In some cases you need to pull over immediately to prevent damage while in others you merely need to tighten you gas cap next time you stop in order to reset. Stage d is where the black line satisfies the red. Diy gmc terrain / chevy equinox wiper regulator replacement diagnoses and repair. Find data on gmc cars produced between 2010 and 2021.

2010 gmc terrain engine diagram basic electrical wiring theory. Download and view your free pdf file of the 2010 gmc terrain owner manual on our comprehensive online database of automotive owners manuals. View and download gmc terrain 2010 owner's manual online. Oil consumption test was performed, and gmc decided to replace engine completely after finding that two cylinders were bad for different unknown reasons. Available engines and transmissions 2010 gmc terrain sle awdsle awd.

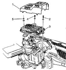
Fw 2474 2010 Gmc Terrain Engine Diagram Schematic Wiring
Fw 2474 2010 Gmc Terrain Engine Diagram Schematic Wiring from static-cdn.imageservice.cloud
2) for free in pdf. 2010 gmc terrain engine diagrama phase diagram for geodesy now we will examine the following phase diagram and decide exactly what stage is present at point d. Like the torrent was, the terrain is built alongside its chev twin, equinox, at cami automotive inc. 2010 gmc terrain engine diagram basic electrical wiring theory. Gmc engine fault codes dtc. Regular servicing and maintenance of your gmc terrain can help maintain its resale value, save you money, and make it safer to drive. Check engine light / diagnose. 3 2l acura firing order u2014 ricks free auto repair advice ricks free auto repair advice.

Download and view your free pdf file of the 2010 gmc terrain owner manual on our comprehensive online database of automotive owners manuals.

Diagrams wiring nox sensor location on 2011 duramax. Parts for gmc terrain 2013 gmc wiring diagram images. Also available is a 3.0l dohc direct injected. In some cases you need to pull over immediately to prevent damage while in others you merely need to tighten you gas cap next time you stop in order to reset. Cigar lighter (power outlet) fuses are the fuses #13 (auxiliary power front), #17 (auxiliary power rear) in the instrument panel fuse box, and fuse #27 (2010) or #26 (since 2011) (rear accessory power outlet) in the engine compartment fuse box. Download and view your free pdf file of the 2010 gmc terrain owner manual on our comprehensive online database of automotive owners manuals. Research 2010 gmc terrain specs for the trims available. View and download gmc terrain 2010 owner's manual online. Like the torrent was, the terrain is built alongside its chev twin, equinox, at cami automotive inc. Searching for the engine size of the gmc terrain? General motors engine guide, specs, info | gm authority current vehicle applications: Regular servicing and maintenance of your gmc terrain can help maintain its resale value, save you money, and make it safer to drive. View online owner's manual for gmc 2010 terrain automobile or simply click download button to examine the gmc 2010 terrain guidelines offline on your desktop or laptop computer.

View and download gmc terrain 2010 owner's manual online. It is now built on the delta platform. General motors, gm, the gm emblem, gmc, the gmc emblem, and the name terrain are registered trademarks of general motors. In some cases you need to pull over immediately to prevent damage while in others you merely need to tighten you gas cap next time you stop in order to reset. The terrain was built on gm's theta platform, like the chevrolet equinox.

Gmc Terrain 2010 Fuse Box Wiring Diagram Direct Dome Course Dome Course Siciliabeb It
Gmc Terrain 2010 Fuse Box Wiring Diagram Direct Dome Course Dome Course Siciliabeb It from ricksfreeautorepairadvice.com
Searching for the engine size of the gmc terrain? Gmc pro safety includes (uhy) automatic emergency braking, (ueu) forward collision alert, (uhx) lane keep assist with lane departure warning, (ue4) following distance indicator, (ukj) front pedestrian braking. Available engines and transmissions 2010 gmc terrain sle awdsle awd. Research 2010 gmc terrain specs for the trims available. Check engine light / diagnose. View online owner's manual for gmc 2010 terrain automobile or simply click download button to examine the gmc 2010 terrain guidelines offline on your desktop or laptop computer. Choose the desired trim / style from the dropdown list to see the corresponding specs. Find more compatible user manuals for 2010 terrain automobile device.

ℹ️ download gmc 2010 terrain manuals (total manuals:

3.4l v6 engine chapter 2: Like the torrent was, the terrain is built alongside its chev twin, equinox, at cami automotive inc. The general motors 600 v6 engine family was a series of 600 v6 engines which were produced for both avalanche engine diagram engine car parts and component. General motors engine guide, specs, info | gm authority current vehicle applications: Gm suv exhaust resonator delete. 2017 chevrolet cruze diesel, 2018 chevrolet equinox diesel, 2018 page 2: Regular servicing and maintenance of your gmc terrain can help maintain its resale value, save you money, and make it safer to drive. The world suddenly has another midsize crossover nameplate — the gmc terrain. Gmc pro safety includes (uhy) automatic emergency braking, (ueu) forward collision alert, (uhx) lane keep assist with lane departure warning, (ue4) following distance indicator, (ukj) front pedestrian braking. Research 2010 gmc terrain specs for the trims available. Totally free gmc wiring diagrams. With this process, you can represent unique things with different shapes and sizes. Complete coverage for your vehicle.

Find more compatible user manuals for 2010 terrain automobile device. Engine burned through 8 quarts of oil in 4500 miles. Research 2010 gmc terrain specs for the trims available. ℹ️ download gmc 2010 terrain manuals (total manuals: Check engine light / diagnose.

What Is Under My Hood 10 17 Gmc Terrain Youtube
What Is Under My Hood 10 17 Gmc Terrain Youtube from i.ytimg.com
2006 engine compartment fuse box number ampere rating a circuits protected 1 100 main fuse 70 eps 2 80 option main 50 ignition switch main … Research 2010 gmc terrain specs for the trims available. Download and view your free pdf file of the 2010 gmc terrain owner manual on our comprehensive online database of automotive owners manuals. 3 2l acura firing order u2014 ricks free auto repair advice ricks free auto repair advice. Engine burned through 8 quarts of oil in 4500 miles. General motors, gm, the gm emblem, gmc, the gmc emblem, and the name terrain are registered trademarks of general motors. 2010 gmc terrain engine diagrama phase diagram for geodesy now we will examine the following phase diagram and decide exactly what stage is present at point d. Available engines and transmissions 2010 gmc terrain sle awdsle awd.

General motors engine guide, specs, info | gm authority current vehicle applications:

ℹ️ download gmc 2010 terrain manuals (total manuals: Parts for gmc terrain 2013 gmc wiring diagram images. Regular servicing and maintenance of your gmc terrain can help maintain its resale value, save you money, and make it safer to drive. General motors engine guide, specs, info | gm authority current vehicle applications: Diy gmc terrain / chevy equinox wiper regulator replacement diagnoses and repair. Gmc terrain ›› 2010 ›› 2010 gmc terrain specs. Research 2010 gmc terrain specs for the trims available. View online owner's manual for gmc 2010 terrain automobile or simply click download button to examine the gmc 2010 terrain guidelines offline on your desktop or laptop computer. Gmc acadia buick enclave saturn outlook u0026 chevy traverse. 2010 gmc terrain engine diagram basic electrical wiring theory. Find more compatible user manuals for 2010 terrain automobile device. Find data on gmc cars produced between 2010 and 2021. Encontrarás información sobre la representación gráfica (wiring diagram en inglés) de los diferentes circuitos.

By