2001 Buick Lesabre Engine Diagram : Buick Lesabre 2000 2002 Fuse Box Diagram Carknowledge Info : 2000 buick lesabre engine code p1404.. The buick v6, popularly referred to as the 3800 in its later incarnations, originally 198 cu in (3.2 l) and initially marketed as fireball at its introduction in 1962, was a large v6 engine used by general motors. Find the right genuine oem lesabre parts from the full catalog we offer. Make sure to search the car specs including engine performance options. Get 2001 buick lesabre trim level prices and reviews. Seeking info about 2005 buick lesabre wiring diagram?

2001 buick lesabre owner's manual. Regular servicing and maintenance of your buick lesabre can help maintain its resale value, save you money, and make it safer to drive. When it comes to new lesabre oem parts at the lowest prices, we've been the top choice for decades. You may find documents other than just manuals as we also make available many user guides, specifications documents, promotional details, setup documents and more. The rear seat cushion must be removed to access the fuse block.

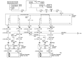
2001 Buick Lesabre Blower Motor Wiring Diagram Wiring Diagram Boards Upon Boards Upon Exitmedia It
2001 Buick Lesabre Blower Motor Wiring Diagram Wiring Diagram Boards Upon Boards Upon Exitmedia It from repairguide.autozone.com
One important thing about the lesabre chips is the warrant attached to it; 2000 buick lesabre engine code p1404. Whatever type of buick lesabre you own, haynes have you covered with comprehensive guides that will teach you how to fully maintain and service your vehicle. 2001 buick lesabre owner's manual. 2001 buick lesabre fuse panel diagram 1 answer. 1997 buick lesabre………horn will start blowing while power is off and will not stop blowing until horn button is fuse box in engine compartment needs to be replaced need to buy! The lesabre computer software with lesabre ecu chips will drive you crazy as you turn on your car. The car will offer economical use of fuel hence saving you good money.

There are new families of cars special, century, roadmaster and limited.

Hi i have a 2001 buick lesabre limited & i want to reset the check engine soon that refer to emission problem i don't know how to do this & i will glad to know how tx, amit from israel. 2002 buick lesabre starts runs 3 minutes and shuts down. Part number 25711390 a first edition. The buick v6, popularly referred to as the 3800 in its later incarnations, originally 198 cu in (3.2 l) and initially marketed as fireball at its introduction in 1962, was a large v6 engine used by general motors. Regular servicing and maintenance of your buick lesabre can help maintain its resale value, save you money, and make it safer to drive. The 1976 lesabre was the only. We're sorry, our experts haven't reviewed this car yet. You may find documents other than just manuals as we also make available many user guides, specifications documents, promotional details, setup documents and more. 1997 buick lesabre………horn will start blowing while power is off and will not stop blowing until horn button is fuse box in engine compartment needs to be replaced need to buy! The buick 3800 v6 is a fairly reliable engine, but coolant leaks on the series ii 3800 engines with the plastic intake manifold have been a problem. Seeking info about 2005 buick lesabre wiring diagram? The list of buick stereo wiring diagrams that were displayed here will be described in details in the link on every buick years and series as mentioned below. Detailed features and specs for the used 2001 buick lesabre including fuel economy, transmission, warranty, engine type, cylinders, drivetrain and more.

2002 buick lesabre starts runs 3 minutes and shuts down. 2001 buick lesabre engine diagram | automotive parts. Learn more about the 2001 buick lesabre. 2001 buick lesabre expert review. 2001 buick lesabre owner's manual.

2001 Buick Lesabre Fuse Diagram Wiring Diagram Direct Sit Demand Sit Demand Siciliabeb It
2001 Buick Lesabre Fuse Diagram Wiring Diagram Direct Sit Demand Sit Demand Siciliabeb It from static.cargurus.com
Detailed features and specs for the used 2001 buick lesabre including fuel economy, transmission, warranty, engine type, cylinders, drivetrain and more. We have the following 2001 buick lesabre manuals available for free pdf download. 2001 buick lesabre engine diagram | automotive parts. It may be possible to remove the egr valve and clean it with throttle body cleaner or induction. The car will offer economical use of fuel hence saving you good money. Regular servicing and maintenance of your buick lesabre can help maintain its resale value, save you money, and make it safer to drive. Will not start again until it sits for a while no. In some cases you need to pull over immediately to prevent damage while in others you merely need to tighten you gas cap next time you stop in order to reset the service engine soon light.

Find all information regarding buick stereo wiring diagrams in this section.

You could be a professional who intends to search for recommendations or resolve existing or you are a pupil, or maybe even you that simply would like to know concerning 2005 buick lesabre wiring diagram. Find all information regarding buick stereo wiring diagrams in this section. 2001 buick lesabre engine diagram, image size 416 x 300 px, and to view image details please click the image. Our complete online catalog covers all buick genuine lesabre parts and accessories. When it comes to new lesabre oem parts at the lowest prices, we've been the top choice for decades. Hi i have a 2001 buick lesabre limited & i want to reset the check engine soon that refer to emission problem i don't know how to do this & i will glad to know how tx, amit from israel. 1997 buick lesabre………horn will start blowing while power is off and will not stop blowing until horn button is fuse box in engine compartment needs to be replaced need to buy! The rear seat cushion must be removed to access the fuse block. The list of buick stereo wiring diagrams that were displayed here will be described in details in the link on every buick years and series as mentioned below. 2001 buick lesabre owner's manual. Read reviews, browse our car inventory, and more. 2001 buick lesabre engine diagram | automotive parts. 2001 buick lesabre owner's manual.

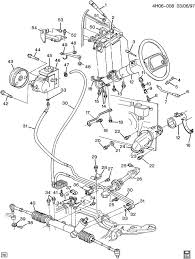
The lesabre computer software with lesabre ecu chips will drive you crazy as you turn on your car. Where exactly is the ecm located in my 2001 buick lesabre, with a 3.8 v6. Vehicle wiring details for a 2001 buick lesabre. Find the right genuine oem lesabre parts from the full catalog we offer. 2001 buick lesabre engine diagram, image size 416 x 300 px, and to view image details please click the image.

Fuse Box On Buick Lesabre 2001 Wiring Diagram Cycle Gene Cycle Gene Pennyapp It
Fuse Box On Buick Lesabre 2001 Wiring Diagram Cycle Gene Cycle Gene Pennyapp It from www.autogenius.info
Read reviews, browse our car inventory, and more. 2001 buick lesabre owner's manual. You could be a professional who intends to search for recommendations or resolve existing or you are a pupil, or maybe even you that simply would like to know concerning 2005 buick lesabre wiring diagram. Manuals and user guides for buick 2001 lesabre. You will be assured of great time in testing the workability. 2000 buick lesabre engine code p1404. Make sure to search the car specs including engine performance options. When it comes to new lesabre oem parts at the lowest prices, we've been the top choice for decades.

In some cases you need to pull over immediately to prevent damage while in others you merely need to tighten you gas cap next time you stop in order to reset the service engine soon light.

2001 buick lesabre owner's manual. I need to replace the ecm and to do that i need to locate it and get the exact part number so i can order a replacement. Check back with us soon. The lesabre computer software with lesabre ecu chips will drive you crazy as you turn on your car. The list of buick stereo wiring diagrams that were displayed here will be described in details in the link on every buick years and series as mentioned below. The car will offer economical use of fuel hence saving you good money. It may be possible to remove the egr valve and clean it with throttle body cleaner or induction. Make sure to search the car specs including engine performance options. One important thing about the lesabre chips is the warrant attached to it; 2001 buick lesabre expert review. Learn more about the 2001 buick lesabre. Read reviews, browse our car inventory, and more. Vehicle wiring details for a 2001 buick lesabre.

By