Whirlpool Cabrio Dryer Heating Element Wiring Diagram - Whirlpool Cabrio Washer Wiring Diagram Aztek Gas Gauge Wiring Diagram Piping 2001ajau Waystar Fr - Whirlpool cabrio dryer error codes.. In some cases, the wiring schematic is tucked away inside the control with electrically heated dryers, the most common problems are a defective thermostat or an open heating element. If you took a lot of dust off, and/or had to reset or replace. Green plugs have caused all kinds of problems in fridges, such as moisture buildup due to slower fan speeds, and compressor starting and heating problems. Heating element is inside the dryer & must be completely disassembled to replace it. Most dryers have a wiring diagram located somewhere within the dryer.

Whirlpool cabrio dryers can develop problems and need repairs. Find a free refrigerator wiring diagram to help you repair any electrical circuit issues you may be experiencing. When a lowes repairman inspected the dryer, he blamed the problem on a faulty control panel. Note there is no need to disconnect the wires but you can if you like. Whirlpool cabrio dryer not heating.

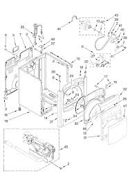
Diagram Whirlpool Cabrio Electric Dryer Wiring Diagram Full Version Hd Quality Wiring Diagram Phraewiringk Risparmiatilospreco It
Diagram Whirlpool Cabrio Electric Dryer Wiring Diagram Full Version Hd Quality Wiring Diagram Phraewiringk Risparmiatilospreco It from wiringall.com
My whirlpool cabrio platinum hp, dryer, just made a big bang then stopped dead checked fuses check lint , unplugged from wall and i have a dead dryer. If you are looking for a ebook whirlpool cabrio dryer troubleshooting guide in pdf form, then you've come to the. Learn what to check and what repair check the house circuit breakers for the dryer and reset the l2 breaker if it's tripped. 1366 x 768 png 720 кб. Whirlpool cabrio dryer error codes. Or, you can call a technician or try your hand at repairing it yourself. Most dryers have a wiring diagram located somewhere within the dryer. Just preview or download the desired file.

Wiring diagrams & strip circuits.

Was able to find the break in the coil wire. Cabrio reg platinum gas dryer w. It replaces many older styles. The wires that connect to the dryer must end in ring terminals or spade terminals with upturned ends. When a whirlpool cabrio automatic dryer appears to run normally but laundry is not getting dried, the dryer cabinet may not be receiving adequate heat. Or, you can call a technician or try your hand at repairing it yourself. You shouldn't have to change any wiring unless it is. The heater unit is that air that gets heated goes past those wire coils. 1366 x 768 png 720 кб. Whirlpool cabrio dryers can develop problems and need repairs. Have a question about the whirlpool cabrio wgd7300dw but cannot find the answer in the user manual? Electric dryer parts, whirlpool cabrio parts, whirlpool cabrio replacement parts, whirlpool dryer parts. Learn what to check and what repair check the house circuit breakers for the dryer and reset the l2 breaker if it's tripped.

Lowes replaced my dryer and i have not had any further issues with it. Remove all connecting wires and check for resistance across the two terminals of the heater. Learn what to check and what repair check the house circuit breakers for the dryer and reset the l2 breaker if it's tripped. Diagram whirlpool dryer wiring just electrical for timer hair circuit electric wire three duet full ge gas model connection not running repair guide roper fuse to install a 4 ft 30 amp kenmore clothes change cord heating element power supply colored hotpoint outlet amana cabrio whirlpool dryer wiring. Pulled it apart, tested the heating element, and it was dead.

Diagram Whirlpool Dryer Heating Element Wiring Diagram Full Version Hd Quality Wiring Diagram Schematicsclothingco Capital Risque Fr
Diagram Whirlpool Dryer Heating Element Wiring Diagram Full Version Hd Quality Wiring Diagram Schematicsclothingco Capital Risque Fr from wholefoodsonabudget.com
The odor will go away. Whirlpool cabrio dryer not heating. Green plugs have caused all kinds of problems in fridges, such as moisture buildup due to slower fan speeds, and compressor starting and heating problems. These files are related to whirlpool cabrio dryer codes af. Replaces numbers ap3953732, ap6013455, ps1487965. Most whirlpool dryers have a schematic wiring diagram glued to the back or inside of the dryer's cabinet. Are you experiencing whirlpool cabrio dryer problems? If you are looking for a ebook whirlpool cabrio dryer troubleshooting guide in pdf form, then you've come to the.

Have a question about the whirlpool cabrio wgd7300dw but cannot find the answer in the user manual?

Find common error codes for troubleshooting problems with your whirlpool cabrio dryer at sears partsdirect. Changing modifiers and options after pressing start. 7 inserting wire shelves and other accessories into the these instructions are also available on the website: Heating element is inside the dryer & must be completely disassembled to replace it. Electric dryer parts, whirlpool cabrio parts, whirlpool cabrio replacement parts, whirlpool dryer parts. Whirlpool cabrio dryers can develop problems and need repairs. Replaces numbers ap3953732, ap6013455, ps1487965. When your cabrio dryer stops working, whirlpool offers troubleshooting tips online along with other product information. 1366 x 768 png 720 кб. Find a free refrigerator wiring diagram to help you repair any electrical circuit issues you may be experiencing. Was able to find the break in the coil wire. Wiring diagrams & strip circuits. A heating element is used in electric dryers to generate the heat needed to dry your clothes.

When your cabrio dryer stops working, whirlpool offers troubleshooting tips online along with other product information. If you happen to press pause/cancel twice, the program clears and your dryer shuts down. If you took a lot of dust off, and/or had to reset or replace. Ge dryer is not heating. Whirlpool duet dryer heating element wiring diagram.

Whirlpool Wed7300xw0 27 Electric Dryer Parts And Accessories At Partswarehouse
Whirlpool Wed7300xw0 27 Electric Dryer Parts And Accessories At Partswarehouse from www.partswarehouse.com
1366 x 768 png 720 кб. Whirlpool cabrio dryers can develop problems and need repairs. Almost all heating elements test: My whirlpool cabrio platinum hp, dryer, just made a big bang then stopped dead checked fuses check lint , unplugged from wall and i have a dead dryer. Whirlpool usually locates the heating element on the back of dryer (must remove back of dryer) or under the drum (must remove front dryer). Lowes replaced my dryer and i have not had any further issues with it. When a whirlpool cabrio automatic dryer appears to run normally but laundry is not getting dried, the dryer cabinet may not be receiving adequate heat. Changing modifiers and options after pressing start.

It replaces many older styles.

Are you experiencing whirlpool cabrio dryer problems? You shouldn't have to change any wiring unless it is. Whirlpool cabrio dryers can develop problems and need repairs. When a whirlpool cabrio automatic dryer appears to run normally but laundry is not getting dried, the dryer cabinet may not be receiving adequate heat. It replaces many older styles. Whirlpool usually locates the heating element on the back of dryer (must remove back of dryer) or under the drum (must remove front dryer). A heating element is used in electric dryers to generate the heat needed to dry your clothes. Click here to find answers and solutions from an last time i worked on a dryer i replaced the heating element and this technology is totally whirlpool cabrio dryers are touted for having features like large capacity drums, high efficiency, and. Most dryers have a wiring diagram located somewhere within the dryer. The heater unit is that air that gets heated goes past those wire coils. Whirlpool cabrio dryer not heating. Model wtw6600sw3 whirlpool residential washers. The wires that connect to the dryer must end in ring terminals or spade terminals with upturned ends.

Heating element is inside the dryer & must be completely disassembled to replace it whirlpool dryer heating element wiring diagram. 7 inserting wire shelves and other accessories into the these instructions are also available on the website:
By