1994 Corvette Wiring Diagram - C233c9 94 Corvette Fuse Box Location Wiring Library - On a 1994 base corvette c4 equipped with electronic air c68 system.. Wiring diagrams from the gm shop service manual, printed in a separate book format. Thank you for choosing wirediagram.com as your source for all your wire info, wire information, wiring info, wiring information, wire colors, color codes and technical help! This manual is specific to a 1994 chevrolet corvette. Automotive wiring in a 1994 chevrolet corvette vehicles are becoming increasing more difficult to identify due to the installation of … 1994 chevrolet corvette. Express ordering have a parts list?

It is very easy to use and support is always free. I have pretty much kept it stock and decided to refurbish it instead of trading for a newer model so i replaced about $4k of old parts and new tires along with a new flowmaster dual exhaust system and custom shocks for a smoother ride. I have a 1994 c4 corvette i just ordered a passenger air bag shut off switch kit. Express ordering have a parts list? Tinted windows, black and gray interior.

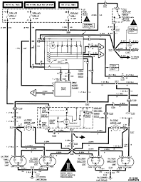
Diagram Of A 94 Corvette Engine Wiring Diagrams Auto Van Board Van Board Moskitofree It
Diagram Of A 94 Corvette Engine Wiring Diagrams Auto Van Board Van Board Moskitofree It from www.corvetteforum.com
The compressor and blower motor. This is the repair guides | wiring diagrams | wiring diagrams | autozone of a graphic i get directly from the 1994 chevy 2500 truck steering column diagram collection. C4 corvette wiring diagram pdf diagrams auto sit join a moskitofree it. 97 camaro wiring harness lt1 coil wiring diagram lt1 wiring 1994 corvette ecm wiring gm obd1 connector pinout lt1 pcm pinout 94 mustang msd wiring harness wiring diagram 94 mustang wire harness wiring diagram share this post. How to replace a water pump lt1 and lt4 corvette camaro caprice 1995 f body wire harness schematics. Tinted windows, black and gray interior. 1994 chevrolet c1500 2dr ext cab pickup wiring information: Whether your an expert installer or a novice enthusiast with a 1994 chevrolet corvette, an automotive wiring diagram can save yourself time and headaches.

Gm shop manuals also include diagnostics, troubleshooting, required tools, and wiring diagrams.

Apv chevrolet lumina 1994 minivan wiring information: I have pretty much kept it stock and decided to refurbish it instead of trading for a newer model so i replaced about $4k of old parts and new tires along with a new flowmaster dual exhaust system and custom shocks for a smoother ride. This is the repair guides | wiring diagrams | wiring diagrams | autozone of a graphic i get directly from the 1994 chevy 2500 truck steering column diagram collection. C4 corvette wiring diagram pdf diagrams auto sit join a moskitofree it. Whether your an expert installer or a novice enthusiast with a 1994 chevrolet corvette, an automotive wiring diagram can save yourself time and headaches. On a 1994 base corvette c4 equipped with electronic air c68 system. Tinted windows, black and gray interior. Express ordering have a parts list? Loaded with original factory photographs and illustrations to aid your corvette restoration, repair or maintenance projects. 97 camaro wiring harness lt1 coil wiring diagram lt1 wiring 1994 corvette ecm wiring gm obd1 connector pinout lt1 pcm pinout 94 mustang msd wiring harness wiring diagram 94 mustang wire harness wiring diagram share this post. Step by step instructions w/ illustrations. 1994 camaro wiring diagram wiring diagram symbols and guide 1994 mazda b3000 fuse box diagram;

It is very easy to use and support is always free. Whether your an expert chevrolet corvette mobile electronics installer, chevrolet corvette fanatic, or a novice chevrolet corvette enthusiast with a 1994 chevrolet corvette, a car stereo wiring diagram can save yourself a lot of time. Newer post older post home. Your vehicle use's a fuel pump relay. One of the most time consuming tasks with installing a car alarm, remote car starter, car security system or any mobile electronics is identifying the correct wires for a 1994 chevrolet corvette.

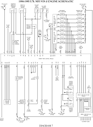
1972 Camaro Fuse Box Diagram Wiring Schematic Wiring Diagram Drain Inspection C Drain Inspection C Consorziofiuggiturismo It
1972 Camaro Fuse Box Diagram Wiring Schematic Wiring Diagram Drain Inspection C Drain Inspection C Consorziofiuggiturismo It from www.freeautomechanic.com
The compressor and blower motor. 1994 chevrolet lumina 2dr sedan wiring information: Tinted windows, black and gray interior. 6b09493 1966 corvette wiring diagram free library. Joined jun 2, 2010 · 1,407 posts. The chevy corvette would go through 2 more generations until 2014 when the 7th and most recent generation came out. On a 1994 base corvette c4 equipped with electronic air c68 system. Enter numbers below to add to cart:

Corvette wiring diagrams free chevy diagram 1957 1965 87 89 c4 86 picture chevrolet 77 1989 engine under dash 1977 schematic 1985 1979 1994 gauge 84 c2 1966 1963 ignition 1969 69 1992 schematics wiper switch 1c914 76 for gauges 75 c3 1975 dashboard gota

1994 jeep yj fuse box diagram; For any corvette lover, taking excellent care of your car is a must. 5cc03 1994 corvette tail light wiring diagram epanel jeep wrangler wiring tail lights the view on wiring diagram 94 dakota wiring diagram wiring library yj brake light wiring diagram 1990 wiring diagram jeep wiring diagram 1994 jeep wrangler wiring diagram wiring diagram symbols 2016 jeep wrangler tail light wiring diagram wiring. I have pretty much kept it stock and decided to refurbish it instead of trading for a newer model so i replaced about $4k of old parts and new tires along with a new flowmaster dual exhaust system and custom shocks for a smoother ride. Please right click on the image and save the photo. 1994 chevrolet c1500 2dr ext cab pickup wiring information: Looking for the wiring diagram for a 1994 chevy silverado 1500 two wheel drive. You can save this photograph file to your personal computer. I have called three dealership to ensure good p/n they. 1994 mazda b3000 fuse box diagram; Loaded with original factory photographs and illustrations to aid your corvette restoration, repair or maintenance projects. This sleek, modern version of the sports car was designed for much more speed, had a new interior design and much more attention to detail. How to replace a water pump lt1 and lt4 corvette camaro caprice 1995 f body wire harness schematics.

Looking for the wiring diagram for a 1994 chevy silverado 1500 two wheel drive. Corvette wiring diagrams free chevy diagram 1957 1965 87 89 c4 86 picture chevrolet 77 1989 engine under dash 1977 schematic 1985 1979 1994 gauge 84 c2 1966 1963 ignition 1969 69 1992 schematics wiper switch 1c914 76 for gauges 75 c3 1975 dashboard gota 1994 mazda b3000 fuse box diagram; Gm shop manuals also include diagnostics, troubleshooting, required tools, and wiring diagrams. Newer post older post home.

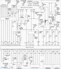
1994 Corvette Wiring Diagram Wiring Diagram Schema Skip Energy Skip Energy Atmosphereconcept It
1994 Corvette Wiring Diagram Wiring Diagram Schema Skip Energy Skip Energy Atmosphereconcept It from repairs.willcoxcorvette.com
1994 mazda b3000 fuse box diagram; 1994 chevrolet c1500 2dr ext cab pickup wiring information: 5cc03 1994 corvette tail light wiring diagram epanel jeep wrangler wiring tail lights the view on wiring diagram 94 dakota wiring diagram wiring library yj brake light wiring diagram 1990 wiring diagram jeep wiring diagram 1994 jeep wrangler wiring diagram wiring diagram symbols 2016 jeep wrangler tail light wiring diagram wiring. Detailed information on circuit paths, splice locations & more. Wiring diagrams from the gm shop service manual, printed in a separate book format. Looking for the wiring diagram for a 1994 chevy silverado 1500 two wheel drive. 1994 mazda b3000 fuse box location; Loaded with original factory photographs and illustrations to aid your corvette restoration, repair or maintenance projects.

Express ordering have a parts list?

1994 chevrolet corvette 2dr coupe wiring information: Approx 10 pages for full functionality of this site it is necessary to enable javascript. Corvette wiring diagrams free chevy diagram 1957 1965 87 89 c4 86 picture chevrolet 77 1989 engine under dash 1977 schematic 1985 1979 1994 gauge 84 c2 1966 1963 ignition 1969 69 1992 schematics wiper switch 1c914 76 for gauges 75 c3 1975 dashboard gota Automotive wiring in a 1994 chevrolet corvette vehicles are becoming increasing more difficult to identify due to the installation of … 1994 chevrolet corvette. 1994 camaro wiring diagram wiring diagram symbols and guide Loaded with original factory photographs and illustrations to aid your corvette restoration, repair or maintenance projects. 1994 chevrolet c1500 2dr ext cab pickup wiring information: Wiring diagrams from the gm shop service manual, printed in a separate book format. For any corvette lover, taking excellent care of your car is a must. Express ordering have a parts list? One of the most time consuming tasks with installing a car alarm, remote car starter, car security system or any mobile electronics is identifying the correct wires for a 1994 chevrolet corvette. Corvette electrical wiring diagrams page 1. 1994 corvette wiring diagram wiring diagram pin by jeff hoffman on slammed dually build ideas chevy trucks lt1 wiring for dummies page 2 third generation f body message 1979 corvette radio wiring diagram wiring diagram wiring diagrams and pinouts brianesser com refinements 1 94 chevy g20 wiring diagram wiring diagram.

By